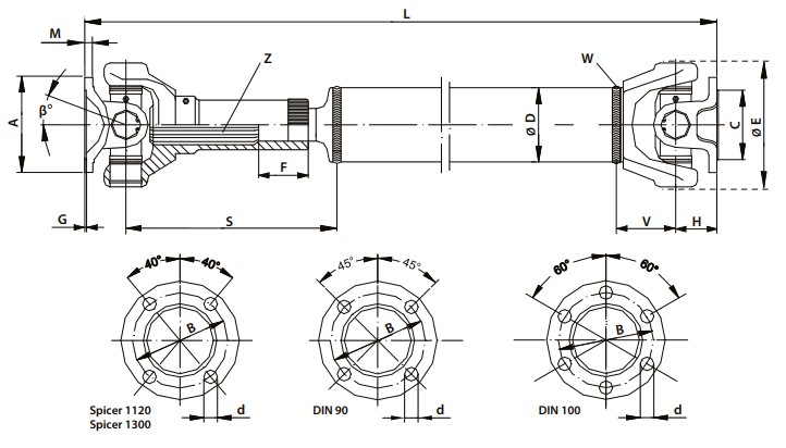
Drive shafts / Cardan Shafts
A PTO drive shaft is a mechanical component used to transfer rotational power from a vehicle's Power Take-Off (PTO) unit to hydraulic pumps. This connection enables the hydraulic system to operate using the engine’s power. Designed for durability and high torque transmission, PTO drive shafts are essential in mobile hydraulic applications such as dump trucks, cranes, and agricultural machinery. They often include safety features like shear pins or torque limiters to prevent damage during overloads. Proper alignment and maintenance are critical for efficient performance and long service life.


Contact us for Special requirements
